مشعل گازی پارس مشعل PM2-PGO-311
Pars Mashal Gas PM2-PGO-311
- نوع سوخت : گاز
- حالت عمکلرد مشعل : یک مرحله ای
- ظرفیت حرارتی : 77400-215000 کیلوکالری برساعت
- توان موتور : 150 وات
مشعل گازی PM2PGO311 پارس مشعل با ظرفیت حدود 215.000 کیلوکالری در ساعت مناسب برای استفاده در سیستم های حرارتی ،
آبگرم مصرفی برای ساختمان های مسکونی و اداری،تجاری با متراژ کمتر از 1200 متر با قابلیت نصب بر روی دیگ های چدنی و فولادی جهت تولید
آبگرم وبخار در موتور خانه های کوچک و تامین گرمایش در کوره های هوای گرم و بویلرهای کوچک بخار و ... استفاده میشود.
مشعل گازسوز پارس مشعل مدل PM2 PGO 311 عملکرد تک مرحله ای و کارکرد ساده ای دارد.
گاز طبیعی با عبور از فیلتر و رسیدن به سر نازل، با هوا ترکیب شده و ایجاد جرقه توسط ترانس جرقه باعث بوجود آمدن شعله میشود.
ظرفیت حرارتی مشعل PM2 PGO 311
ظرفیت حرارتی پارس مشعل مدل PM2 PGO 311 حداقل 77.400 کیلوکالری بر ساعت و حداکثر آن 215.000 کیلوکالری بر ساعت میباشد.
برق مصرفی
برق مصرفی پارس مشعل مدل PM2 PGO 311 معادل 220 ولت و تکفاز با فرکانس 50 هرتز است و از موتور 150 وات بهره میبرد.
فشار ورودی گاز
فشار ورودی گاز این مشعل معادل 18.5 m.bar است. فشار گاز مناسب برای عملکرد مشعل یک چهارم پوند است و با یک خط لوله گاز خانگی یک اینچ قابل راه اندازی است.
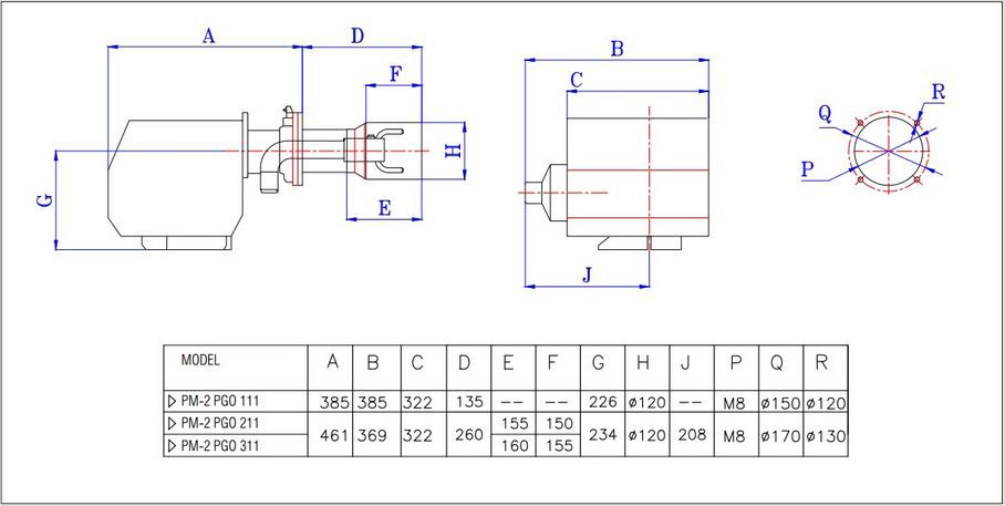
ابعاد مشعل پارس مشعل مدل PM2 PGO 311
این مشعل دارای طول 721 میلیمتر، عرض 369 و سایز لوله گاز ورودی برابر 1 اینچ و قطر دهانه مشعل گیر 130 میلیمتر میباشد.

خصوصیات پارس مشعل مدل PM2 PGO 311
آلایندگی کم وسازگاری با محیط زیست
ساختار مونوبلاک
وزن کم
ابعاد مناسب
جابجایی و نصب آسان
قابل تنظیم مشعل جهت احتراق کامل و مناسب جهت کاهش مصرف سوخت و بازدهی بالا
- نوع سوخت : گاز
- نوع برق مصرفی : تک فاز
- حالت عمکلرد مشعل : یک مرحله ای
- قطر دهانه مشعل گیر : 130 میلیمتر
- ظرفیت حرارتی : 77400-215000 کیلوکالری برساعت
- سایز لوله گاز ورودی : 1 اینچ
- توان موتور : 150 وات
قبل از هرگونه پرداخت وجه و سفارش تجهیزات از موجودی محصول و یا زمان ساخت و تحویل آن اطمینان حاصل نمایید.
- پرداخت حضوری: جهت حفظ آسودگی خاطر مشتریان، پرداخت حضوری قبل از تحویل کالا در محل شرکت بامین تهویه امکان پذیر می باشد.
- پرداخت غیر حضوری: با توجه فواصل مکانی و یا مشغله کاری برخی از مشتریان ، امکان پرداخت غیر حضوری مبلغ کالا به شماره حساب های ارائه شده ، میسر می باشد. این پرداخت پس از حصول اطمینان از موجودی کالا و زمان تحویل از طریق همراه بانک، اینترنت بانک، عابر بانک، و یا انتقال وجه توسط شعب بانک مقدور می باشد.
- پرداخت در محل: فروشگاه بامین تهویه این امکان را برای مشتریان ساکن تهران فراهم ساخته که اجناس با ارزش کمتر از ۵/۰۰۰/۰۰۰ ریال را بصورت پرداخت در محل پس از تحویل کالا، خریداری نمایند.





