پکیج زمینی کالورپک امکان تامین و ذخیره آبگرم مصرفی بهداشتی ، گرمایش محیط را توام با هم داشته و به سادگی می توان آن را جایگزین تجهیزات قدیمی و فرسوده کرد.پکیج زمینی کالورپک در چهار ظرفیت و از توان 45000 تا 125000 کیلوکالری تولید و عرضه می شود که مناسب ساختمانهای ویلایی ، مجتمع های مسکونی و اداری کوچک و یا کارگاه های صنعتی کوچک می باشد.
>> راهنمای خرید پکیج زمینی کالورپکپکیج زمینی کالورپک امکان تامین و ذخیره آبگرم مصرفی بهداشتی ، گرمایش محیط را توام با هم داشته و به سادگی می توان آن را جایگزین تجهیزات قدیمی و فرسوده کرد.پکیج زمینی کالورپک در چهار ظرفیت و از توان 45000 تا 125000 کیلوکالری تولید و عرضه می شود که مناسب ساختمانهای ویلایی ، مجتمع های مسکونی و اداری کوچک و یا کارگاه های صنعتی کوچک می باشد.
به منظور تکمیل اطلاعات مشتریان عزیز، توضیحات جامع و تخصصی در ارتباط با خرید محصولات پکیج زمینی کالورپک در زیر به تفصیل بیان شده است.
همچنین کاربران عزیز می توانند جهت مشاهده 34 برند معتبر پکیج شوفاژ دیواری و زمینی و مقایسه قابلیت های هر برند و کاربری هر یک از مدل های پکیج شوفاژ دیواری و زمینی به لینک زیر مراجعه نمایند.

به طور کلی پکیج های زمینی در مواردی که ظرفیت گرمایی مورد نیاز بیش از توان پکیج های دیواری باشد مورد استفاده قرار می گیرد.
تمامی مدل های پکیج زمینی کالورپک بدون مشعل می باشند که این موضوع این امکان را به مشتری می دهد تا مشعل را بر اساس سوخت در دسترس محل پروژه انتخاب و خریداری کند.
در پکیج های زمینی کالورپک می توان از مشعل های گازی ، گازوئیلی و دوگانه سوز فن دار و یا حتی مشعل های بدون فن (اتمسفریک) با سوخت گاز استفاده کرد.
در ساختار پکیج زمینی کالورپک از یک دیگ فولادی کالور مطابق با استاندارد های اروپایی استفاده می شود که راندمان پکیج را تا 89 درصد می رساند.
در ساختمان یا پروژه هایی که فضای کافی برای اجرای موتورخانه وجود ندارد و یا هزینه اجرا آن به صرفه نیست ، می توان از پکیج زمینی کالورپک به عنوان جایگزین موتورخانه استفاده کرد.
در زمان تعیین محل نصب با ابعاد و وزن دستگاه باید توجه کرد این پکیج ها به صورت مونتاژ شده عرضه می شود. تدابیر مناسب جهت حمل و جایگذاری پکیج در نظر گرفته شود.

پیشنهاد مطالعه : عیب یابی پکیج گرمایشی و نحوه برطرف کردن آن
جهت محاسبه ظرفیت پکیج زمینی کالورپک با توجه به شرایط آب و هوایی و نوع کاربری و سازه و متراژ ساختمان می توان،ظرفیت حرارتی را تعیین نمود.اما به طور سرانگشتی در مناطق معتدل به ازای هر مترمربع از فضای ساختمان (که دارای ارتفاع سقف نرمال 3 متر هستند) می توان ظرفیتی معادل 150 کیلوکالری بر ساعت را جهت تأمین گرمایش و تأمین آبگرم مصرفی در نظر گرفت.
در تمامی مدل های پکیج زمینی کالورپک ،استفاده از سختی گیردر مسیر ورودی آب به دستگاه الزامی می باشد،چرا که نصب سختی گیر جهت طول عمر و جلوگیری از رسوب زدایی زود هنگام مبدل حرارتی پکیج زمینی کالورپک امری حیاتی است.

در انتخاب مدل پکیج زمینی کالورپک استفاده از پکیج هایی که برای تأمین آبگرم مصرفی دارای منبع ذخیره هستند،به دو جهت ارجهیت دارد. یک اینکه مقداری حجم ذخیره آبگرم در منبع وجود دارد و دوم اینکه میزان رسوب گیری منبع ذخیره و مولد آبگرم به نسبت مبدل آبگرم صفحه ای به مراتب کمتر است.
پکیج زمینی کالورپک ساخت ایران یکی از محصولات با کیفیت این شرکت می باشد.که نسبتا دارای قیمت مناسبی می باشد.پکیج زمینی کالورپک بر اساس ظرفیت گرمایشی،حجم آبگیری و ... قیمت گذاری می شود. برای محاسبه ظرفیت مورد نیاز و آخرین قیمت پکیج زمینی کالورپک با کارشناسان فروش شرکت بامین تهویه تماس حاصل نمایید.
پکیج زمینی کالورپک دارای 20 ماه گارنتی می باشد.
با تشکر از اعتماد شما،فروشگاه اینترنتی بامین تهویه تمامی اطلاعات فنی و تصاویر پکیج زمینی کالورپک با نازل ترین قیمت ها جهت مقایسه دستگاه ها و خرید آسان، خارج از محدوده زمانی ومکانی و به آسان ترین روش ممکن را در اختیار مشتریان محترم قرار داده است. مشاورین شرکت بامین تهویه امکان ارائه مشاروه جهت انتخاب و خرید انواع پکیج زمینی کالورپک را به مشتریان محترم دارا میباشند.
برخی سؤالات رایج در زمینه خرید پکیج گرمایشی کالورپک بلند که برای مشتریان یا متقاضیان پیش می آید در زیر جمع آوری شده است و به آن ها پاسخ داده ایم.
پاسخ : پکیج گرمایشی کالورپک در سه رده اصلی دسته بندی می گردند.
پاسخ : پکیج های گرمایشی کالورپک بلند در دو رده اصلی دسته بندی می گردند.
الف ) پکیج کالورپک بلند مجهز به یک پمپ سیرکولاتور : این پکیج های گرمایشی دارای یک دستگاه پمپ سیرکولاتور دایم کار دو منظوره برای گردش آب داغ دیگ فولادی این پکیج در کوئل منبع کوئل دار و همینطور گردش آب در سیستم رادیاتورها می باشند. این پمپ دارای هد 8 متر و توان تقریبی 200 وات بوده و بطور مستمر همواره در حال گردش می باشد. لذا در تمام طی سال این دستگاه پکیج 200 وات معادل حدود 0.9 آمپر مصرف برق دارد.
ب ) پکیج کالورپک بلند مجهز به دو پمپ سیرکولاتور : این پکیج های گرمایشی دارای دو دستگاه پمپ سیرکولاتور می باشند. به شرح زیر :
اولین پمپ سیرکولاتور، پمپی دائم کار و با هد 4 متر و توان حدود 65 وات معادل 0.28 آمپر بوده و برای گردش آب داغ دیگ فولادی این پکیج در کوئل، منبع کویل دار می باشد لذا در حدود 8 ماه از سال این دستگاه پکیج فقط 65 وات معادل 0.28 آمپر مصرف برق دارد که شرایط بسیار ممتازی را ایجاد می کند.
اما دومین پمپ سیرکولاتور که عملاً پمپ فقط زمستانی دستگاه است پمپی قدرتمند با هد 8 متر و توان200 الی 250 وات می باشد. این پمپ را فقط در فصل زمستان وارد مدار می نمایید و به منظور گردش آب داغ پکیج در سیستم گرمایشی رادیاتورها می باشد. لذا در فصل زمستان مصرف برق این دستگاه به حدود 1.5 آمپر می رسد. مضافاً بر اینکه پمپ ثانویه بسیار قدرتمند و مناسبی وارد مدار گرمایشی شده و به کمک پمپ اول اطمینان بخش کاملی برای سیستم گرمایشی می باشد.
پاسخ : پکیج های گرمایشی کالورپک بلند یا پلاس یا کوتاه از طرفی بدلیل دارا بودن مشعل فن دار و سر و صدای مربوطه و از سوی دیگر بدلیل مصرف هوای داخل فضای محل سکونت به هیچ وجه و تحت هیچ شرایطی مجاز به نصب در داخل فضای مسکونی نمی باشند. در صورت نصب در فضای مسکونی شامل هیچ نوع گارانتی و خدمات پس از فروش نیز نخواهد بود و هرگونه مسئولیت های بعدی موضوع نیز از عهده شرکت تولید کننده خارج و ساقط می باشد. این دستگاه باید در اتاق پکیج با هوارسانی و دودکش مناسب نصب گردد.
خیر. پرآب کردن انواع دستگاه های پکیج گرمایشی کالورپک Calorpack بصورت دستی می باشد. فشار کارکرد باید بین 1 الی 1.5 بار تنظیم گردد و هر از گاهی هم بررسی شود که فشار پائین نیامده باشد. البته استفاده از شیر پرکن خودکار حسب نیازمندی پروژه و توسط کارفرما بلامانع است.
پاسخ : قطر خروجی دودکش دستگاه پکیج گرمایشی کالورپک Calorpack مقداری کاملاً کارشناسی شده است که باید قطر دودکش ساختمان نیز تقریباً با همان مقادیر اجرا گردد. اما می توان در پاره ای مواقع اضطراری و در شرایطی که به هیچ وجه امکان اجرای دودکش با آن قطر در داخل ساختمان وجود نداشته باشد حداکثر تا حد 5 سانتیمتر قطر دودکش در ساختمان را کاهش داد. البته به شرطی که طول عمودی دودکش در ساختمان بیش از 10 متر بوده و با عایق کاری حرارتی دودکش، دود در مسیر خروج اصلاً سرد نشود.
پاسخ : هزینه های نصب پکیج مذکور بر عهده خریدار می باشد. در صورت نصب پکیج توسط تکنسین مجرب و صاحب صلاحیت، وارانتی دستگاه بلامانع می باشد. میزان وارانتی به صورت سه سال برای بویلر دستگاه و یک سال برای تمام قطعات دیگر دستگاه می باشد. البته شرایط وارانتی در برگه ضمانتنامه دستگاه ارائه گردیده است.
پاسخ : جواب به این سؤال بسیار جای بحث عمیق دارد و به عوامل متعددی از قبیل تعداد دوش های استحمام، اقلیم آب و هوایی که ساختمان در آن قرار گرفته است، ارتفاع سقف ساختمان، نوع کاربری ساختمان، رعایت اصول عایقکاری گرمایی در ساختمان و نحوه کاربری و فرهنگ صرفه جویی در مصارف انرژی توسط کاربران ساختمان بستگی دارد و نمی توان پیشنهاد دقیقی در این خصوص داشت. به منظور دستیابی به مدل ظرفیتی مناسب پکیج های گرمایشی برای هر نوع ساختمان به نرم افزار بسیار مفید سلکتیموم Selectimum مراجعه گردد.
پاسخ : اساساً سیستم گرمایش از کف بر خلاف سایر روش های گرمایشی رایج مثل رادیاتور یا فن کویل نوعی سیستم دما پائین می باشد. بدین صورت که در استاندارد دمایی مربوطه به منظور حصول آسایش گرمایی، باید عمدتاً آب با دمای 35 الی حداکثر 45 درجه سانتیگراد در لوله های کف جریان داشته باشد و اگر این محدوده دمایی مراعات نشود، شرایط محیطی می تواند بسیار نامطلوب گردد. لذا بسیار مهم است که با تدابیر فنی بتوان در سیستم گرمایش مرکزی همگام با تأمین آب داغ برای تأمین رادیاتورها یا حوله خشک کن و تأمین آبگرم مصرفی، دمای آب جاری در سیستم گرمایش از کف را در محدوده تقریبی 40 درجه سانتیگراد تحت کنترل دقیق و مستمر داشت. یکی از روش های بسیار مطلوب در این زمینه استفاده از تجهیز ترموباکس Thermobox تولید شرکت آذران صنعت امرتات می باشد. این تجهیز تخصصی، دمای خروجی از پکیج را به منظور محدوده سیستم های گرمایش از کف تنظیم و کنترل خواهد نمود. به منظور آشنایی بیشتر با این تجهیز و نحوه عملکرد آن به بخش یونیت مرکزی سیستم های گرمایش از کف Thermobox در سایت آذران صنعت امرتات مراجعه بفرمائید.
پاسخ : معمولاً پمپ سیرکولاتور مورد استفاده در ساختار داخلی انواع مدل های پکیج گرمایشی کالورپک بلند کارشناسی شده برای بهره برداری برای فن کویل و داکت اسپلیت بوده و عمدتاً در این نحوه کاربری مشکلی وجود ندارد. اما در خصوص استفاده از دستگاه های پکیج کالورپک برای یونیت هیتر و کوئل دستگاه های هوارسان از بخش مهندسی فروش این شرکت بررسی های دقیق لازم بعمل آید. حسب تجربه بهتر است که برای دستگاه های هوارسان و یونیت هیترها اولاً حتماً از دستگاه پکیج کالورپک بلند دارای دو پمپ سیرکولاتور استفاده شده و ثانیاً در صورت امکان قدرت پمپ مذکور به میزان یک سایز بالاتر برده شود. این تغییر سایزینگ پمپ با سفارش مشتری توسط کارخانه انجام خواهد گرفت.
پاسخ : بدلیل جریان طبیعی آبگرم به سمت بالا و آب سرد به سمت پائین (پدیده ترموسیفون) معمولاً دستگاه های پکیج گرمایشی را باید در پائینترین نقطه ساختمان نصب نمود. اما در مواقعیکه به هر علتی فقط امکان نصب دستگاه در پشت بام مقدور باشد، می بایست اولاً حتماً از دستگاه پکیج کالورپک بلند دارای دو پمپ سیرکولاتور استفاده شده و ثانیاً در صورت امکان قدرت پمپ مذکور به میزان حداقل یک سایز بالاتر برده شود. این تغییر سایزینگ پمپ با سفارش مشتری توسط کارخانه انجام خواهد گرفت.
پاسخ : خیر. این پکیج ها دارای منبع انبساط بسته با گنجایش مناسب می باشند که در کنار دستگاه نصب می گردد. لذا نیازی به منبع انبساط باز پشت بامی وجود ندارد.
پاسخ : پر واضح است که پکیج کالورپک که در فضای موتورخانه یا اتاق پکیج مشغول به کار می باشد نیازمند هوارسانی مناسب برای احتراق در مشعل دستگاه می باشد که این امر توسط یک سیستم تعویض هوای الکترومکانیکی از قبیل دمنده هوا انجام می گیرد . سیستم هوارسانی و مشعل پکیج باید ترجیحاً به هم وابسته و مرتبط باشند ، بطوریکه اگر دمنده هوا از کار بیفتد ، مشعل پکیج هم به صورت خودکار خاموش گردد. اما میزان هوایی که توسط سیستم تعویض هوا به داخل فضای محل نصب پکیج وارد می گردد باید حداقل برابر با 1 متر مکعب در هر دقیقه به ازای هر 600 کیلوکالری بر ساعت ظرفیت پکیج باشد . با این حساب میزان هوادهی به محل نصب برای مدل های مختلف پکیج امرالد می تواند مطابق جدول زیر می باشد که در تدارک دمنده هوا برای آن فضا می بایست مورد ملاحظه و استناد قرار گیرد.

پاسخ : جواب به این سؤال به عوامل متعددی از قبیل تعداد دوش های استحمام، اقلیم آب و هوایی که ساختمان در آن قرار گرفته است، ارتفاع سقف ساختمان، نوع کاربری ساختمان، رعایت اصول عایقکاری گرمایی در ساختمان و نحوه کاربری و فرهنگ صرفه جویی در مصارف انرژی توسط کاربران ساختمان بستگی دارد و نمی توان رقم دقیقی ارائه داد. به منظور یافتن رقم نسبتاً دقیق مصرف گاز پکیج های گرمایشی برای هر نوع ساختمان به نرم افزار بسیار مفید سلکتیموم Selectimum مراجعه گردد.
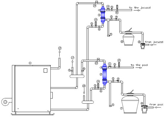
پاسخ : باید همراه با این پکیج از مبدل حرارتی مخصوص استخر و جکوزی (آکوامارین) استفاده نمود. بدین طریق که از خروجی دستگاه (به مقصد رادیاتورها) یک انشعاب مجزا برای مبدل استخر و یک انشعاب مجزا برای مبدل جکوزی (در صورت وجود جکوزی) گرفت. بدین طریق دستگاه پکیج گرمایشی کالورپک Calorpack علاوه بر تأمین رادیاتورها و آبگرم مصرفی، آب استخر و جکوزی را نیز گرم نمود. به منظور کنترل دمایی دقیق روی آب استخر و جکوزی باید از شیر برقی و ترموستات استفاده گردد.

بامین تهویه ، تخصصی ترین وب سایت در زمینه تاسیسات کشور
پکیج زمینی کالورپک برای ساختمانهای ویلایی، مجتمعهای مسکونی و اداری کوچک، کارگاههای صنعتی کوچک و مکانهایی که امکان ساخت موتورخانه ندارند مناسب است.
خیر. تمامی مدلهای پکیج زمینی کالورپک بدون مشعل عرضه میشوند تا مشتریان بتوانند مشعل مناسب با نوع سوخت مصرفی خود (گاز، گازوئیل یا دوگانهسوز) را جداگانه تهیه کنند.
خیر. به دلیل وجود مشعل فندار و نیاز به تهویه مناسب، نصب این دستگاهها در فضای داخلی مجاز نیست و باید در اتاق پکیج یا محل مناسب با دودکش و هوارسانی کافی نصب شود.
ظرفیت حرارتی این پکیجها از 45,000 تا 125,000 کیلوکالری در ساعت متغیر است و بسته به متراژ و نوع ساختمان انتخاب میشوند.
بله، اما به دلیل دمای پایین مورد نیاز گرمایش از کف، استفاده از مبدل و کنترلکننده دما در سیستم توصیه میشود.
مدلهای بلند در دو نوع تکپمپ و دوپمپ عرضه میشوند. مدلهای دوپمپ دارای یک پمپ دائمکار برای منبع و یک پمپ زمستانی قدرتمند برای سیستم گرمایشی هستند.
بله. نصب سختیگیر در مسیر ورودی آب به دستگاه برای افزایش طول عمر و جلوگیری از رسوبگیری مبدل حرارتی الزامی است.
دیدگاه خود را با ما در میان بگذارید



 
  
  
  
  
  
  
  
 
میرحسین
یکشنبه 22 مهر 1403ظرفیت 45000 پکیج زمینی کالورپک چه قیمت هستش ؟
بامین تهویه
یکشنبه 22 مهر 1403سلام دوست عزیز . لطفا جهت استعلام قیمت برای محصول مورد نظرتون با واحد فروش شرکت بامین تهویه تماس بگیرید تا همکاران راهنماییتون کنن . 88306500-021
نجمی
چهارشنبه 23 آبان 1403توان موتور پکیج زمینی کالورپک CP45 برابر با چند وات هستش ؟
بامین تهویه
چهارشنبه 23 آبان 1403سلام .
پکیج زمینی کالورپک CP45 با توان موتور برابر با 250 وات ، طراحی و تولید می شود .
فائزه پورین
یکشنبه 25 آذر 1403قیمت فروش برای پکیج زمینی کالورپک cp65 لطفا بگین امروز در بازار چند تومان هست .
بامین تهویه
یکشنبه 25 آذر 1403لطفا جهت استعلام قیمت برای محصول موردنظرتون با واحد فروش شرکت بامین تهویه تماس بگیرید تا همکاران به روز ترین اطلاعت رو در اختیارتون قرار دهند . 88306500-021
علی نجاتی
سه شنبه 11 دی 1403از پکیج گرمایش از کف کالورپک CP125 برای ساختمان ویلایی با متراژ حدودی 600 متر مربع میشه استفاده کرد ؟
بامین تهویه
سه شنبه 11 دی 1403طراحی منحصر به فرد پکیج های زمینی کالورپک به گونه ای است که می توان آن هارا برای تولید آبگرم مصرفی و گرمایش در ساختمان های کوچک، متوسط و ویلایی تا متراژ 680 متر مربع ، به کار برد.
فرهادیانی
دوشنبه 17 دی 1403هزینه پکیج منزل کالورپک زمینی با ارسالش ، قابل پرداخت در محل تحویل ممکن هستش ؟
بامین تهویه
دوشنبه 17 دی 1403دوست عزیز ، لطفا با واحد فروش تماس بگیرید تا همکاران متناسب با درخواستتون راهنماییتون کنن . 88306500-021
قربان قاسمی
پنجشنبه 20 دی 1403برای نصب پکیج در خانه های قدیمی چه پکیجی رو پیشنهاد می کنید ؟
قدمت خونه بیشتر از 50 سال هستش ؟
بامین تهویه
پنجشنبه 20 دی 1403لطفا جهت دریافت راهنمایی ، با واحد فروش شرکت بامین تهویه تماس بگیرید تا همکاران متناسب با درخواستتون راهنماییتون کنن . 88306500-021
قهرماندوستی
سه شنبه 25 دی 1403پکیج حرارتی کالورپک رو میشه جایگزین موتورخانه مرکزی کرد ؟
بامین تهویه
سه شنبه 25 دی 1403سلام دوست عزیز .
پکیج کالورپک زمینی دستگاهی است با ظرفیت حرارتی بسیار بالا که به راحتی می تواند در سیستم های گرمایشی جایگزین موتورخانه مرکزی شود .
لطفا جهت دریافت راهنمایی بیشتر ، با واحد فروش شرکت بامین تهویه تماس بگیرید تا همکاران متناسب با درخواستتون راهنماییتون کنن . 88306500-021